
有刷直流電機概述
有刷直流電機使用刷子進行換向。電樞或轉子具有繞線,可端接至換向器。刷子通過形成或斷開接觸為電樞提供電源。
定子可能具有兩個或更多永久磁性;相反的定子磁性極性和激磁繞線異極相吸,導致轉子旋轉。當轉子與定子位置對齊時,刷子將跨越換向器并驅動下一個繞線。
有刷直流電機需要維護并具有線性扭矩/電流曲線。這些電機易于控制,其速度和扭矩與電流和電壓成正比。
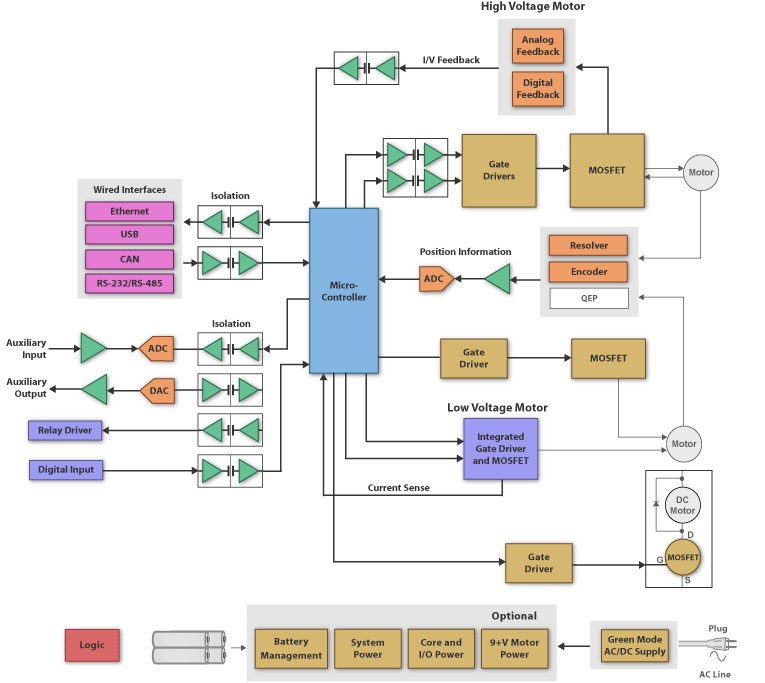
微處理器
具有 4 個脈寬調制器 (PWM) 信號的任何 MCU 系列均可以用于驅動連接到刷式直流電機的 H 橋 DC/DC 轉換器。根據控制算法的復雜性,反饋控制可能使用霍爾傳感器或編碼器。
鑒于其在工作模式和休眠模式中的超低功耗操作功能,TI 的 MSP430 可以成為控制低端、電池供電的刷式直流電機系統的理想選擇。
C2000? 和 Stellaris® MCU 具有 QEI 輸入,可接受編碼器輸入。Hercules® MCU 可通過靈活的 HET 協處理器接收編碼器輸入。如果需要高性能和實時操作,C2000 MCU 系列就是最佳選擇。C2000 或 Stellaris MCU 可滿足中端系統要求。Hercules MCU 是系統需要基于 IEC61508 等安全標準認證時的首選并可支持各種性能需求。
隔離
TI 數字隔離器具有邏輯輸入和輸出緩沖器,這些緩沖器由 TI 的二氧化硅 (SiO2) 隔離勢壘進行隔離,可提供 4kV 隔離。
當與隔離電源配合使用時,這些器件可阻止高電壓、隔離接地以及防止噪聲電流進入本地接地并干擾或損害敏感電路。
接口/連接
傳統模擬 RS-232/RS-485 接口一直是電機控制應用的常見選擇。展望未來,設計人員將在其產品中集成主流接口,如以太網、USB 和 CAN。
TI 致力于同時為傳統和新興工業接口提供解決方案。例如,TI 最近推出了全世界首款隔離式 CAN 收發器 ISO1050。
電源管理
德州儀器 (TI) 提供從標準 IC 到高性能插件、變壓器、數字電源 MOSFET 和集成電源模塊的電源管理 IC 解決方案。